瞬態抑制二極管與壓敏電阻-在開關電源中的應用及選型
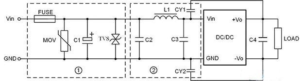
開關電源,作為產品系統供電核心,在電源設計時,往往需要外加電路防護措施來保障電源能夠穩定供電。在開關電源應用中,為了確保開關電源的供電穩定和電源本身的安全,一般會設計一些外圍電路(浪涌沖擊保護電路、防靜電保護電路、傳導騷擾、脈沖群抗擾電路等)保護開關電源在使用過程中不受損害。為此,在外圍電路保護設計的過程中,往往會選用到電路保護元器件TVS二極管和壓敏電阻結合起來使用,從而起到多重保護的作用。那么,重點問題來,設計電源外圍電路時,TVS瞬態抑制二極管和壓敏電阻,該如何選型呢?


關于TVS管和壓敏電阻,您知道多少?
TVS二極管是一種限壓型的過壓保護器件,以pS級的速度把過高的電壓限制在一個安全范圍之內,從而起到保護后面電路的作用,廣泛應用在半導體及敏感的電子零件過電壓、ESD保護、消費類產品、工業產品、通訊、電腦、汽車、電源供應器、信號線路保護及軍事、 航天航空導航系統及控制系統上。烜芯微供應的TVS管有SMF、SMAJ、SMBJ、SMCJ、SMDJ、P4KE、SA、P6KE、1.5KE、3KP、5KP、SM8S、SM5S、SM6S、LDP、15KP,20KP,30KP、SAC,LCE、藍寶寶浪涌抑制器BPSS等,所有產品通過一系列安全可靠的認證,如UL、無鉛認證、符合IEC61000-4-2、IEC 61643-321:2001測試標準。
壓敏電阻,主要應用于低壓電器浪涌保護,多為氧化鋅壓敏電阻。壓敏電阻是以氧化鋅為主體,摻雜多種金屬氧化物,采用典型的電子陶瓷工藝制成的多晶半導體陶瓷元器件。壓敏電阻主要有:05D、07D、10D、14D、20D、25D系列。致力于發展國產被動保護器件,取代國際品牌產品,可與威世、力特、安森美等知名品牌相媲美。滿足客戶高品質需求的同時,對常用被動保護器件現貨直供,幫助廣大客戶節約時間、成本。對于有交期的物料,往往在7天以內能夠及時供貨。接下來,技術員重點論述:TVS二極管和壓敏電阻是如何選型的?
TVS二極管選型,要知道的都在這里
1)確定被保護電路的最大直流或者連續工作電壓、電路的額定標準電壓和“高端”容限;
2)TVS額定反向關斷VRWM應大于或者等于被保護電路的最大工作電壓;若選用的VRWM太低,器件可能進入雪崩或因反向漏電流太大而影響電路正常工作;
3)TVS的最大箝位電壓應小于被保護電路的損壞電壓;
4)在規定的脈沖持續時間內,TVS的最大峰值脈沖功耗要大于被保護電路內可能出現的峰值脈沖功率;在確定最大箝位電壓后,其峰值脈沖電流應大于瞬態浪涌電流;
5)對于數據接口電路的保護,還須注意選取合適電容值的TVS 器件;
6)根據用途選用TVS的極性、封裝形式;一般交流電路選用雙極性TVS管,多線保護選用TVS陣列;


壓敏電阻MOV選型,您不知道的都在這里
1)壓敏電阻電壓值要大于實際電路中的電壓峰值,即連續施加在壓敏電阻兩端的電源電壓,要小于壓敏電阻規格書中的“最大持續工作電壓值”;
2)壓敏電阻的箝位電壓要小于被保護設備承受的最大電壓;
3)壓敏電阻的標稱放電電流要大于線路中可能出現的最大浪涌電流;
4)對于高頻率傳輸信號的線路,電容要盡量的??;
5)要考慮使用環境,具體要求的浪涌電壓情況;
具體還需要根據電路設計需求和參數來選擇,專業的事情找專業的人做,少走彎路。TVS二極管、壓敏電阻等保護器件選型,免費提供。在開關電源應用中,浪涌保護和防靜電保護是必不可少的,有關詳細電路保護設計方案、選型,能做的,超乎您的想象!
烜芯微專業制造二極管,三極管,MOS管,橋堆等20年,工廠直銷省20%,4000家電路電器生產企業選用,專業的工程師幫您穩定好每一批產品,如果您有遇到什么需要幫助解決的,可以點擊右邊的工程師,或者點擊銷售經理給您精準的報價以及產品介紹
烜芯微專業制造二極管,三極管,MOS管,橋堆等20年,工廠直銷省20%,4000家電路電器生產企業選用,專業的工程師幫您穩定好每一批產品,如果您有遇到什么需要幫助解決的,可以點擊右邊的工程師,或者點擊銷售經理給您精準的報價以及產品介紹

