BISS0001是一款具有較高性能的傳感信號處理集成電路,它配以熱釋電紅外傳感器和少量外接元器件構成被動式的熱釋電紅外開關,可以自動快速開啟燈、蜂鳴器、自動門等裝置。
1.biss0001中文資料

熱釋電紅外傳感器biss0001是一種新型敏感元件、它是由高熱電系數材料,配以濾光鏡片和阻抗匹配用場效應管組成。它能以非接觸方式檢測出來自人體發出的紅外輻射,將其轉化成電信號輸出,并可有效抑制人體輻射波長以外的干擾輻射。如陽光、燈光及其反射燈。
2.biss0001引腳圖和功能

pin1:觸發端,高電平時觸發、pin2:控制信號輸出端、pin3:輸出延遲時間調節端1、pin4:輸出延遲時間調節端2、pin5:觸發封鎖時間端口1、pin6:觸發封鎖時間端口2、pin7:負電源端、pin8:參考電壓端
pin9:觸發禁止端、pin10:運放電流偏置端、pin11:正電源、pin12:二級運放輸出端、pin13:二級運放輸入端、pin14:一級運放輸入端、pin15:一級運放輸出端、pin16:輸出端
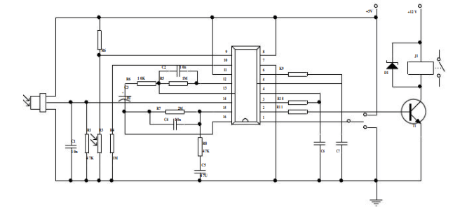
3.biss0001應用電路圖

例中BISS 0001的運算放大器OP1作為熱釋電紅外傳感器的前置放大,由C3耦全給運算放大器OP2進行第二級放大。再經由電壓比較器COP1和COP2構)成的雙向鑒幅器處理后,檢出有效觸發信號去啟動延遲時間定時器。輸出信號經晶體管T1、驅動繼電器去接通負載。R3為光敏電阻,用來檢測環境照明度。當作為照明控制時,若環境較明亮,R3的電阻值會降低,使9腳輸入為低電平而封鎖觸發信號,節省照明用電。若應用于其他方面,則可用遮光物將其罩住而不受環境影響。SW1是工作方式選擇開關,當SW1與1端連通時,紅外開關處于可重復觸發工作方式;當SW1與2端連通時,紅外開關則處于不可重復觸發工作方式。
烜芯微專業制造二極管,三極管,MOS管,橋堆等20年,工廠直銷省20%,4000家電路電器生產企業選用,專業的工程師幫您穩定好每一批產品,如果您有遇到什么需要幫助解決的,可以點擊右邊的工程師,或者點擊銷售經理給您精準的報價以及產品介紹
烜芯微專業制造二極管,三極管,MOS管,橋堆等20年,工廠直銷省20%,4000家電路電器生產企業選用,專業的工程師幫您穩定好每一批產品,如果您有遇到什么需要幫助解決的,可以點擊右邊的工程師,或者點擊銷售經理給您精準的報價以及產品介紹

