濕敏電阻是利用濕敏材料吸收空氣中的水分而導致本身電阻值發生變化這一原理而制成的。工業上流行的濕敏電阻主要有氯化鋰濕敏電阻,有機高分子膜濕敏電阻。工業上流行的濕敏電阻主要有:
1、半導體陶瓷濕敏元件;
2、氯化鋰濕敏電阻;
3、有機高分子膜濕敏電阻 。


濕敏電阻的特點是在基片上覆蓋一層用感濕材料制成的膜,當空氣中的水蒸氣吸附在感濕膜上時,元件的電阻率和電阻值都發生變化,利用這一特性即可測量濕度 。濕敏電容一般是用高分子薄膜電容制成的,常用的高分子材料有聚苯乙烯、聚酰亞胺、酪酸醋酸纖維等。當環境濕度發生改變時,濕敏電容的介電常數發生變化,使其電容量也發生變化,其電容變化量與相對濕度成正比 。


濕敏電阻的工作原理:
濕敏電阻式傳感器主要由感濕層3、電極4和具有一定機械強度的絕緣基片2組成,如圖1所示。感濕層在吸收了環境中的水分后引起兩電極間電阻值的變化,這樣就將相對濕度的變化轉換成電阻值的變化。


濕敏電阻結構示意圖
濕敏電阻只能用交流的,直流會導致濕敏失效,因為直流的電場會導致高分子材料中的帶電粒子偏向兩極,一定時間以后濕敏電阻就會失效。所以必須用交流維持其動態平衡,這也是為什么測濕敏電阻阻值要用電橋而不能用普通萬用表的原因。
水分子是極性分子,在直流電場中會分解為H2及O2,影響測量,并且在濕度傳感器中存在導電離子,在高濕情況下,如采用直流電會漂移,造成電導率漂移,影響傳感器的使用壽命。可采用RC充放電,計時方式,有些芯片有RFC功能,亦可使用,或用IC直接產生1KHZ方波,疊加在采樣電阻與濕度傳感器之上,通過AD,在正周期內測量分壓亦可。或采用模擬電路,通過對數運算進行R/V轉換,再AD采樣。


濕敏電阻的應用:
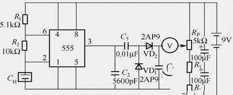
濕敏電阻器廣泛應用于洗衣機、空調器、錄像機、微波爐等家用電器及工業、農業等方面作濕度檢測、濕度控制用。如圖所示,是濕度檢測器電路原理圖。


濕度檢測器電路原理圖
圖2所示電路中,由555時基電路、濕度傳感器CH等組成多諧振蕩器,在振蕩器的輸出端接有電容器C2,它將多諧振蕩器輸出的方波信號變為三角波。當相對濕度變化時,濕度傳感器CH的電容量將隨著改變,它將使多諧振蕩器輸出的頻率及三角波的幅度都發生相應的變化,輸出的信號經VD1,VD2整流和C4濾波后,可從電壓表上直接讀出與相對濕度相應的指數來。Rp電位器用于儀器的調零。
氯化鋰濕敏電阻
多片電阻組合式氯化鋰濕敏傳感器是利用濕敏元件的電氣特性(如電阻值),隨濕度的變化而變化的原理進行濕度測量的傳感器,濕敏元件一般是在絕緣物上浸漬吸濕性物質,或者通過蒸發、涂覆等工藝制各一層金屬、半導體、高分子薄膜和粉末狀顆粒而制作的,在濕敏元件的吸濕和脫濕過程中,水分子分解出的離子H+的傳導狀態發生變化,從而使元件的電阻值隨濕度而變化。
氯化鋰濕度傳感器具有穩定性、耐溫性和使用壽命長多項重要的優點,氯化鋰濕敏傳感器已有了五十年以上的生產和研究的歷史,有著多種多樣的產品型式和制作方法,都應用了氯化鋰感濕液具備的各種優點尤其是穩定性最強,氯化鋰濕敏器件屬于電解質感濕性材料,在眾多的感濕材料之中,首先被人們所注意并應用于**濕敏器件,氯化鋰電解質感濕液依據當量電導隨著溶液濃度的增加而下降。電解質溶解于水中降低水面上的水蒸氣壓的原理而實現感濕。
氯化鋰感濕基片的結構為選用絕緣材料的襯底,在上方制作一對金屬電極,涂覆一層電解質溶液感濕膜,氯化鋰是典型的離子晶體,屬于非親合型電解質,氯化鋰溶液中,Li+對極性水分子的吸引力極強,離子水分程度最高。氯化鋰感濕膜由氯化鋰和聚乙烯醇混合制作,其主要特性:
(1) 是可在120度高溫環境中穩定工作,這一點是其他高分子電容是濕度傳感器不可比擬的;
(2)氯化鋰濕敏元件線性測濕量程較窄大約在20%RH左右,在該測量范圍內,其線性誤差小于2%RH。所以,在全范圍濕度測量環境中要想達到高精度的濕度測量,目前普遍采用的單片濕敏元件測量方法就很難實現了。
有機高分子膜濕敏電阻
濕敏電阻的特點是在基片上覆蓋一層用感濕材料制成的膜,當空氣中的水蒸氣吸附在感濕膜上時,元件的電阻率和電阻值都發生變化,利用這一特性即可測量濕度。濕敏電容一般是用高分子薄膜電容制成的,常用的高分子材料有聚苯乙烯、聚酰亞胺、酪酸醋酸纖維等。當環境濕度發生改變時,濕敏電容的介電常數發生變化,使其電容量也發生變化,其電容變化量與相對濕度成正比。
電子式濕敏傳感器的準確度可達2-3%RH,這比干濕球測濕精度高。濕敏元件的線性度及抗污染性差,在檢測環境濕度時,濕敏元件要長期暴露在待測環境中,很容易被污染而影響其測量精度及長期穩定性。這方面沒有干濕球測濕方法好。
烜芯微專業制造二極管,三極管,MOS管,橋堆等20年,工廠直銷省20%,4000家電路電器生產企業選用,專業的工程師幫您穩定好每一批產品,如果您有遇到什么需要幫助解決的,可以點擊右邊的工程師,或者點擊銷售經理給您精準的報價以及產品介紹
烜芯微專業制造二極管,三極管,MOS管,橋堆等20年,工廠直銷省20%,4000家電路電器生產企業選用,專業的工程師幫您穩定好每一批產品,如果您有遇到什么需要幫助解決的,可以點擊右邊的工程師,或者點擊銷售經理給您精準的報價以及產品介紹

